Rubbens Dichtung
Dichtungsprofile, wie sie in Türen und Schubladen von Rubbens Kühlgeräte verwendet werden:
 
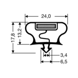
    Identifizieren Sie das Dichtungsprofil eines Kühltisch oder Kühlschrank von Rubbens.
Ersetzen Sie eine Kühl- oder Gefrierschrankdichtung in 4 Schritten.
Über DSU
Wir sind Europas führende Hersteller von Kühlschrankdichtungen und magnetischen Türdichtungen für Rubbens. Wir produzieren Dichtungen für Gewerbekühlgeräte aller Hersteller, wie sie in Supermärkten, Restaurants, Krankenhäusern und Catering-Unternehmen verwendet werden.
Wir führen Europas gröbtes Sortiment an Dichtungsprofilen für gewerbliche Kühlschranke. Keine Mindestbestellmenge. Schnelle Lieferung garantiert. Ebenso ist die Bestellung von Meterware möglich.
Hilfe bei der Auswahl des richtigen Profils
Befindet sich das gesuchte Profil für Ihre Rubbens Kühlschrank nicht auf dieser Seite?
Aufgrund der enormen Auswahl kann es mitunter schwierig sein, das passende Dichtungsprofil zu finden. Schneiden Sie daher einen Querschnitt aus der alten Dichtung aus. Laden Sie bitte Ihr Foto hoch oder schicken Sie es per WhatsApp (+31 6 30 50 3000) an uns, damit wir Sie beraten können.
 
 
Kontakt Formular
Andere marken
- Markenübersicht
- Aber
- Accona
- Accucold
- ACFRI
- Actif Industries
- Adande Refrigeration
- Adexa
- AEG
- Aemmegel
- Afinox
- Ahmet Yar
- AHT
- Aichinger
- Aisberg
- AKE
- Alaska
- Alba Horovice
- Alcold
- Alinox
- Alluserv
- Almaco
- Alnox
- Alpendy
- Alpeninox
- Alpfrigo
- Aluminox
- Ambach
- American Panel
- Ameristar
- Amitek
- AMP Cold Storage Solutions
- Andreas Junghans
- Angelantoni
- Angelo Po
- Angel Refrigeration
- Anthony
- Antoine
- Arcaboa
- ARCO
- Arctica
- Arctic Air
- Ardco
- Ardo
- Arevalo
- Arktic
- Armario
- ARM DOORS
- Arneg
- Arredo INOX
- ART
- Artic
- Artikcold
- Art Serf
- Art Steel
- Asber
- Ascobloc
- Asko
- ASM
- ASPES
- Asskühl
- Aste Finland
- A.T.O.
- Atosa
- Autonumis
- Avantco
- AV Baking
- Bambas frost
- Bartscher
- Bauknecht
- B Doors
- Beha Hedo Marine
- BENTCAM
- Bergman Polar Bear
- Best Frost
- Beverage Air
- Bezemer
- Binder
- Blastcool
- Blizzard
- Bloom
- B Medical Systems
- BMP High Speed Doors
- Bocchini
- Bohner
- Bohnhoff
- Bolarus
- Bomann
- Bongard
- Bonnet Névé
- Borgna Vetri
- Bosch
- Bountourakis
- Boxcold
- Brema
- Brexx
- Bromic Refrigeration
- BRX
- Cambro
- Camro
- Candy
- Cantek
- Capital Cooling
- Capri
- Caravell
- Carpigiani
- Carrier
- Carter
- Casasola
- Casselin
- Castel MAC
- Catercool
- Catertech
- C&D
- CEBEA
- Celltherm
- Celsior
- CFI
- Chambrair
- Chef Cool
- Chefsrange
- CHRISTIANI
- Chrom & Cool
- CHROMOnorm
- CIB Refrigeration
- Cisaplast
- Clabo Spa
- CMM
- Codigel
- COF
- COFRI
- COFRIMAN
- Cold
- Coldar
- Coldbox
- Coldco
- Cold-equip
- Coldflow
- Coldkit
- Coldline
- Cold Mark
- Coldmaster
- Colia
- Colip
- Combisteel
- Comersa
- Comfit
- Consuma
- Continental
- Cookmax
- Cool Compact
- Cool Head
- Coolit
- Coolke
- CoolMed
- Coolplus
- CoolPro
- COOLRite
- Coolselect
- Coreco
- Cornelius
- Costan
- CRE
- Cres Cor
- Crystal Industrial
- Crystal S.A.
- Dagard
- Dalmec
- DAN-doors
- DAYTON
- DEBAG
- Delfield
- Derby
- De Rigo
- DERVET
- Desco
- Desmon
- Dexion
- DF ITALIA
- DGD
- Diamond
- DIKTAS
- Dinex
- D.I. TRIUMPH
- Docriluc
- Dometic professional
- DOMI
- Doortech
- Dotekas
- DRY AGER
- DUKE
- Dukers
- DusarFrigo
- Easyfill
- Eberhardt Pro
- ECOCOLD
- Ecofrost
- Edenox
- Edesa
- Efe
- Efficold
- Ehrenfels
- Eisfink
- Eisvoigt
- EKU
- Elcold
- Electro Freeze
- Electrolux Home
- Electrolux Professional
- ELETTRO FRIGOR
- Elit AG
- Elite
- Elstar
- Emainox
- Emcot
- Emmedi
- Emmepi
- Empero Group
- Empura
- EMS - Isoliertüren
- Enofrigo
- Enomatic
- Epta
- Esad Panel
- Esmach
- Essnor
- Es system k
- Esta
- Eurocryor
- Eurofours
- Eurofred
- Eurofridge
- Euro Frigo
- Eurofrost
- Euroinox
- Euroline
- Everclear
- Everest
- Everidge
- Everlasting
- Evermed
- Excellence Industries
- EXKAL
- Expo Professional
- Exquisit
- Fagor
- Fama
- FB Showcases
- FDM
- Ferbox
- Fermod
- Ferneto
- Festivo
- Fimar
- Finnebäcks
- Finnmark
- Fiocchetti
- Fogal
- Foinox
- Forcar
- Forcold
- Foster Refrigeration
- Framec
- Franke
- F.R.C.
- Free Cee
- FREEZA GROUP
- Freezepoint
- Frenox
- FREOR
- Fresvik
- Fricon
- Friconde
- FrigeluX – Professionnel
- Frigeo
- Frigidaire Professional
- Friginox
- Frigoglass
- Frigolab
- Frigonautica
- Frigonorm AG
- Frigopol
- Frigor
- FrigorAFEN
- Frigor-Box
- Frigorex
- FrigoSys
- Frigoteknika
- Frigovell
- FRIGO ZIKA
- Fri-jado
- Frilixa
- FRIMED
- Friostar
- Friulinox
- FrostEmily
- FROST-TECH
- Frost-Trol
- FRYKA-Kältetechnik
- Gaggenau
- Gamko
- Gasparini Frigoriferi
- Gastro-Cool
- Gastro.cz
- Gastro Hero
- Gastro Inox
- Gastroline
- GASTROPOLAR
- GEA küba
- Geerlofs
- Gelart
- Gema
- Gemm
- General Soğutma
- Genfrost
- George Barker
- GGG
- GGM Gastro
- Ginox
- GKM
- Glastender
- Glenco
- Glendon
- Gort
- GP Production
- Gram
- Gram Bioline
- Greenland
- Greenline
- Greenpac
- Grigio
- Grista
- Groen
- Groku
- Grothaus
- GTB Group
- Gysi Creativ AG
- Habco
- Haglund Industri
- Hagola
- Hakemann
- Hasenbichler
- Hauser
- Hefa
- Hein
- Helkama
- Hendi
- Hengel
- Hermetel
- Herzog + Langen
- Heuft
- Hiber
- HitLine
- H&K
- HMI
- Hobart
- Hocatec24
- Hockenheim
- Hogastra
- Hoover
- HORAK
- Horecatec
- Hörmann
- Hoshizaki
- Hotpoint
- Howard
- Hugentobler
- Hupfer
- Husky
- Hutek Oy
- Huurre
- Hydracooling
- Hydra Kool
- IARP
- Iberna
- ICECOOL
- Iceinox
- ICEKING
- Icematic
- Iceteam 1927
- IDEAL AKE
- IE Cooling
- Ifi
- Igloo
- IglooDoors
- Iglu
- Ikon series
- Ilka
- ILKAZELL
- Illia
- Ilsa
- IMAP
- IMC England
- IME Turbo
- Impafri
- inanç
- Incold
- Indel Webasto
- Infinity stainless
- Infraca
- Infrico
- Inkool
- Innotech
- Inoksan
- Inomak
- Inotech
- Inova Refrigeration
- Inox Baltic
- Inox Dobros
- Inoxfera
- Inoxveneta Spa
- Interlevin
- Intertecnica
- IRF
- Irinox
- Isa
- Isark
- ISECO
- Isobar
- Isocab
- Isomasters
- Isosell
- Isotherm
- IZMAK
- Jack Frost
- JBG-2
- Jimo
- JKS Refrigeration
- Jordao
- Jordon
- Juka
- Jumbo vriezer
- Kairak
- Kampri Ifö
- Kaplanlar
- Karsel Soğutma
- Kavidoors
- Kavika Oy
- Kayalar
- KBS
- Kelvinator
- Kema
- Kenyon
- Keskinso
- Keyfrost
- Kide
- Kilkenny Cooling
- Kingfisher
- King Refrigeration
- Kintera
- Ki Panel
- Kirsch
- Kitchenplus
- KLEO
- Klimaitalia
- Klimasan
- K&M Holland
- KMW
- Knudsen Køling
- Koch
- Koldbox
- Kolpak
- Koma
- K-ONE
- KONE
- Kool-it
- Koolmore
- Korkmaz
- KOVU
- Koxka
- Kozan
- Kramer
- Kronus
- Krux
- KSG
- K+T
- Küleg
- Kylcity
- Labcold
- La Germania
- Lainox
- Landig
- La Sommelière
- Lassele
- LDF Longoni
- Lec
- LEEC
- LEVIN
- LG
- Liebherr
- Lillnord
- Lincat
- Linde
- Linoks
- LMC Eurocold
- Lockwood
- Lohberger
- Loipart
- LTH
- LUX
- Mach
- Maestro
- Mafirol
- Manitowoc
- Marecos
- Mareno
- Martek
- Mastercool
- Mastro
- Maviflex
- Mawi
- Maxifrost
- Maxima
- Maxx cold
- Maxxfrost
- MBM
- McCall-Star
- MEATICO
- Médifroid
- Meileda
- Mercatus
- Metaflex
- Metagro
- Metalfrio
- Metos
- Metro CHR
- Miele
- Migali
- Migali Scientific
- Migan
- Migel
- Minicel
- Minks Marynen
- Misa
- MIWE
- MKN
- Mobitech
- Modular
- Monaxis
- Mondial
- Mondial Elite
- Morgan Catering Equipment
- MoTak
- MTCSS
- MTH
- Multi
- Multiplex
- NARR Isoliersysteme
- NEMOX
- Nenwell
- Neumärker
- New Brunswick
- NEZA
- NIKI INOX
- Nisbets
- Norcool
- Nordcap
- Norlake
- Normann
- Nortech
- Novamatic
- Novameta
- NOVARREDO
- NOVUM
- Nurdil
- Odette
- ODIC
- Olis
- Olitrem
- Olix
- Omcan
- Oprema
- Orion
- OSBORNE
- Oscartielle
- Oscar Zarzosa
- Ozti
- OZTIRYAKILER
- Pallaskylma
- PALUX
- Panasonic
- Paneks
- panel sell
- Paneltech
- Panem
- Panicoupe
- Panimatic
- Parry
- Pastorfrigor
- PeakCold
- Pekave
- Pelgrim
- Pelican
- Perlick
- Pfeuffer
- PHCBI
- Piardi
- PLASTMET
- Polair
- Polaris
- Polar Refrigeration
- POL-EKO
- Polestar
- Polin
- Polistamp
- Poly Systems
- Porkka
- Porta Bianco
- Portifrio
- Portiso
- Precision
- Primax
- Prince O'Burren
- Priolinox
- Prisma
- Prodis
- Profinox
- Pro-kold
- Prokon
- Promoline
- PROSO
- Purever Industries
- Pusula
- Raetone
- RAMI Officine
- Randell
- RAPA
- Rational
- Remis
- Rennis
- Repagas
- Repro Doors
- Revacco Refrigeration
- RGT Ruml
- Rhino
- Rieber
- Rightway Asia
- Rilling
- ROBIGA
- Roeder
- ROMA
- Røros Metall
- Rosin
- Rosinox
- Royal Frigo
- Royal Matic
- RPRO
- RSI
- Rubbens
- Rustfrie Bergh
- RWM Kühlmöbel
- S2000
- SaCar Forni
- Sadia
- Sagi
- SALCO
- Salva
- Salvis
- Samaref
- Sanden Intercool
- Saro
- Savemah
- SBS
- Scaiola
- Scancool
- Scandia
- Scan domestic
- Scantec
- Schaefer
- Schmocker
- Schott
- Schott Termofrost
- Scotsman
- SeaKing
- SEDA
- Senocak
- Senox
- Serrco
- Sevel
- Shoreline Medical
- Sibero Refrigeration
- Siemens
- Silfer
- Silko
- Silverking
- SIMAG
- Simfer
- Sincold
- Sirman
- Skope
- Skycold
- Skyrainbow
- Smad
- Smeva
- Snaigé
- Snowflake
- Sofinor
- Spartan Refrigeration
- Stalgast
- Stamm
- Star
- Starcold
- Staycold
- Steca
- Sterling Pro
- Stiltek
- Storers
- Studio 54
- Styleline
- Suomen Kotikylmio
- Surfrigo
- Sveba Dahlen
- TAFCO Walkins
- TAMCOLD
- Tasselli
- Tecfrigo
- Tecnodom
- Tecnoinox
- Tecnomac
- Tecnox
- TEFCOLD
- Tekna
- Teknalab
- Teknodor
- Teknofrost
- Tekop
- Tekso
- Tekta
- Teledoor
- Tempodeur
- Tensai
- TGD
- Thalheimer
- ThermalRite
- Thermicroll
- Thermocold KFD
- Thermod
- Thermo-Kool
- Thirode
- Tolis
- Tonon
- Topcold
- Tournus
- Traulsen
- True
- Tunelgroup
- Turbo air
- Turhan Celik
- U5
- UBC Cool
- UGUR
- Ungermann
- Unifrigo
- Unifrigor
- Unifrost
- Unis
- Unistar
- Unitap
- Universal Nolin
- U-Star
- Vaiotec
- Valentini
- Valera
- Valpro
- Vauconsant
- Venix
- Vestfrost
- Vibocold
- Victory
- Viessmann
- Virtus
- Vitrifrigo
- Vollrath
- Vulcan Hart
- Wachtel
- WAECO
- Wall
- Weald Refrigeration
- Wehako
- Welbilt
- Welfo
- Whirlpool Professional
- Wiesheu
- Wiha
- Williams
- Wurlitzer
- Xingx
- Xtra by Foster
- YORGLASS
- Zanotti
- Zanussi Professional
- Zernike
- Zoin
 
               
 
